Industrijski hidravlični vitel
pregled izdelka

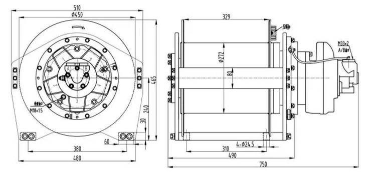
Industrijski hidravlični vitel je naprava, ki se uporablja za dvigovanje in vlečenje težkih predmetov. Uporablja visokotlačno olje, ki ga ustvari hidravlični sistem, za pogon hidravličnega motorja in pogon bobna vitla za dvigovanje ali vlečenje težkih predmetov. Hidravlični sistem uravnava pretok in tlak olja s krmiljenjem ventilov za doseganje natančnega nadzora hitrosti in sile vitla. V primerjavi s tradicionalnimi mehanskimi vitli imajo hidravlični vitli prednosti hitre odzivnosti, velike nosilnosti in prilagodljivega delovanja.
Podrobnosti izdelka



Lastnosti

1. Rotacijski reduktor ima visoko hitrost, visoko integracijo, preprosto strukturo in veliko nosilnost.
2. Hitrost vrtenja je enotna in deluje usklajeno s stroji za izboljšanje učinkovitosti.
3. Odebeljeno jeklo, jasno označeno povsod na številčnici, enostavno upravljanje.
Tehnični parameter

|
Izhodni navor (največji)
|
2266N.M
|
|
Razmerje redukcije
|
5 i
|
|
Število plasti navijanja žične vrvi
|
4
|
|
Specifikacija žične vrvi
|
φ11
|
|
Izhodna revolucija (ocenjeno)
|
66Nnom (r/min)
|
|
Tlak odpiranja zavore
|
0.8 -1}.5Mpa
|
|
Model pogonskega motorja
|
Serija BM5/izbirno
|
|
Specifikacija mazalnega olja
|
1,5 l masti
|
|
Dvigovanje uteži
|
1 T
|
|
Hitrost dviganja
|
30-40m/MIN
|
Projekt izdelka


Informacije o podjetju



Priljubljena oznake: industrijski hidravlični vitel, proizvajalci, dobavitelji, tovarna industrijskih hidravličnih vitlov na Kitajskem
Par
Dvižni vitelMorda vam bo všeč tudi
Pošlji povpraševanje












